| BLR/K壳管冷凝器 |

1.丙烷(R290)和丙烯(R1270), 20℃液体温度,90%接收体积额外的制冷剂出口(底部具有耐海水设计,由BLR/K123HBP提供)爆炸危险!碳氢化合物很容易易燃和爆炸!当减压阀打开时,系统中会排出易燃易爆制冷剂(碳氢化合物)。遵守必要的安全措施
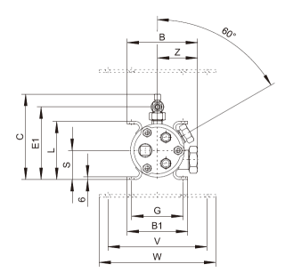
技术参数
| Model | Standard design[mm] | ||||||||||||
| A | A1 | B | B1 | C | C1 | D | E | E1 | F | G | H | I | |
| BLR/K033NP | 602 | 517 | 151 | 130 | 184 | - | 108 | 50 | 156 | 50 | 110 | 400 | 59 |
| BLR/K073HP | 602 | 517 | 151 | 130 | 184 | - | 108 | 50 | 156 | 50 | 110 | 400 | 59 |
| BLR/K123HP | 852 | 767 | 151 | 130 | 184 | - | 108 | 60 | 155 | 60 | 110 | 400 | 184 |
| BLR/K203HP | 863 | 767 | 197 | 130 | 245 | - | 159 | 60 | 216 | 60 | 110 | 400 | 184 |
| BLR/K283HP | 863 | 767 | 197 | 130 | 257 | - | 159 | 60 | 224 | 60 | 110 | 400 | 184 |
| BLR/K373HP | 1113 | 1017 | 197 | 130 | 257 | - | 159 | 60 | 224 | 60 | 110 | 740 | 139 |
| BLR/K573HP | 1176 | 1070 | 245 | 200 | 307 | - | 216 | 60 | 280 | 60 | 180 | 740 | 165 |
| BLR/K813HP | 1176 | 1070 | 245 | 200 | 307 | - | 216 | 60 | 280 | 60 | 180 | 740 | 165 |
| BLR/K1053HP | 1634 | 1528 | 245 | 200 | 311 | - | 216 | 70 | 280 | 70 | 180 | 900 | 314 |
| BLR/K1353TP | 1634 | 1528 | 245 | 200 | 381 | 311 | 216 | 70 | 27 | 70 | 180 | 900 | 314 |
| BLR/K1973TP-4(2) | 1661(1694) | 1527 | 332 | 280 | 543 | 403 | 298 | 103 | 97 | 103 | 250 | 900 | 314 |
| BLR/K2923TP-4(2) | 1661(1694) | 1527 | 332 | 280 | 563 | 403 | 298 | 103 | 85 | 103 | 250 | 900 | 314 |
| BLR/K3803TP-4(2) | 1748(1758) | 1527 | 391 | 280 | 690 | 490 | 368 | 115 | 111 | 115 | 250 | 900 | 314 |
| BLR/K4803TP-4(2) | 1748(1758) | 1527 | 391 | 280 | 690 | 490 | 368 | 115 | 111 | 115 | 250 | 900 | 314 |
| L | R | R1 | S | T | U | U1 | U2 | V | W | X | Y | Z | |
| BLR/K033NP | - | 60 | 45 | 62,5 | - | - | - | - | 212 | 250 | 43 | 6 | 86 |
| BLR/K073HP | 125 | 60 | 45 | 62,5 | 133 | 236 | - | - | 212 | 250 | 43 | 6 | 86 |
| BLR/K123HP | 125 | 60 | 50 | 62,5 | 262 | 295 | - | - | 275 | 320 | 43 | 6 | 86 |
| BLR/K203HP | 190 | 60 | 50 | 95 | 218 | 335 | - | - | 275 | 320 | 54 | 8 | 113 |
| BLR/K283HP | 190 | 60 | 50 | 95 | 218 | 335 | - | - | 275 | 320 | 54 | 8 | 113 |
| BLR/K373HP | 190 | 60 | 50 | 95 | 344 | 335 | - | - | 275 | 320 | 54 | 8 | 113 |
| BLR/K573HP | 236 | 60 | 50 | 118 | 300 | 381 | - | - | 305 | 360 | 53 | 8 | 133 |
| BLR/K813HP | 236 | 60 | 50 | 118 | 300 | 381 | - | - | 305 | 360 | 53 | 8 | 133 |
| BLR/K1053HP | 236 | 130 | 130 | 118 | 498 | 381 | - | - | 305 | 360 | 53 | 8 | 133 |
| BLR/K1353TP | 236 | 130 | 70 | 118 | 116 | 381 | 381 | 381 | 305 | 360 | 53 | 70 | 133 |
| BLR/K1973TP-4(2) | 337 | 80 | 70 | 169 | 108 | 381 | 381 | 381 | 305 | 360 | 67(100) | 140 | 177 |
| BLR/K2923TP-4(2) | 337 | 80 | 80 | 169 | 108 | 381 | 381 | 381 | 360 | 420 | 67(100) | 160 | 177 |
| BLR/K3803TP-4(2) | 413 | 80 | 80 | 205 | 108 | 381 | 381 | 381 | 360 | 420 | 130(140) | 200 | 201 |
| BLR/K4803TP-4(2) | 413 | 80 | 80 | 205 | 108 | 381 | 381 | 381 | 360 | 420 | 130(140) | 200 | 201 |
| Model | Seawater resistant design[mm] | ||||||||||||
| A | A1 | B | B1 | C | C1 | D | E | E1 | F | G | H | I | |
| BLR/K033NBP | 631 | 517 | 151 | 130 | 184 | - | 108 | 50 | 156 | 50 | 110 | 400 | 59 |
| BLR/K073HBP | 631 | 517 | 151 | 130 | 184 | - | 108 | 50 | 156 | 50 | 110 | 400 | 59 |
| BLR/K123HBP | 881 | 767 | 151 | 130 | 249 | 184 | 108 | 60 | 155 | 60 | 110 | 400 | 184 |
| BLR/K203HBP | 890 | 767 | 197 | 130 | 310 | 245 | 159 | 60 | 216 | 60 | 110 | 400 | 184 |
| BLR/K283HBP | 890 | 767 | 197 | 130 | 322 | 257 | 159 | 60 | 224 | 60 | 110 | 400 | 184 |
| BLR/K373HBP | 1140 | 1017 | 197 | 130 | 322 | 257 | 159 | 60 | 224 | 60 | 110 | 740 | 139 |
| BLR/K573HBP | 1218 | 1070 | 245 | 200 | 377 | 307 | 216 | 60 | 280 | 60 | 180 | 740 | 165 |
| BLR/K813HBP | 1218 | 1070 | 245 | 200 | 377 | 307 | 216 | 60 | 280 | 60 | 180 | 740 | 165 |
| BLR/K1053HBP | 1676 | 1528 | 245 | 200 | 381 | 311 | 216 | 70 | 27 | 70 | 180 | 900 | 314 |
| BLR/K1353TBP | 1676 | 1528 | 245 | 280 | 381 | 311 | 216 | 70 | 27 | 70 | 180 | 900 | 314 |
| BLR/K1973TBP | 1703 | 1527 | 332 | 280 | 543 | 403 | 298 | 103 | 97 | 103 | 250 | 900 | 314 |
| BLR/K2923TBP | 1696 | 1527 | 332 | 280 | 563 | 403 | 298 | 103 | 85 | 103 | 250 | 900 | 314 |
| BLR/K3803TBP-4(2) | 1749(1759) | 1527 | 391 | 280 | 690 | 490 | 368 | 115 | 111 | 115 | 250 | 900 | 314 |
| BLR/K4803TBP-4(2) | 1749(1759) | 1527 | 391 | 280 | 690 | 490 | 368 | 115 | 111 | 115 | 250 | 900 | 314 |
| L | R | R1 | S | T | U | U1 | U2 | V | W | X | Y | Z | |
| BLR/K033NBP | - | 60 | 45 | 62,5 | - | - | - | - | 212 | 250 | 73 | 6 | 86 |
| BLR/K073HBP | 125 | 60 | 45 | 62,5 | 133 | 236 | - | - | 212 | 250 | 73 | 6 | 86 |
| BLR/K123HBP | 125 | 60 | 50 | 62,5 | 262 | 295 | - | - | 275 | 320 | 73 | 65 | 86 |
| BLR/K203HBP | 190 | 60 | 50 | 95 | 218 | 335 | - | - | 275 | 320 | 81 | 65 | 113 |
| BLR/K283HBP | 190 | 60 | 50 | 95 | 218 | 335 | - | - | 275 | 320 | 81 | 65 | 113 |
| BLR/K373HBP | 190 | 60 | 50 | 95 | 344 | 335 | - | - | 275 | 320 | 81 | 65 | 113 |
| BLR/K573HBP | 236 | 60 | 70 | 118 | 300 | 381 | - | - | 305 | 360 | 76 | 70 | 133 |
| BLR/K813HBP | 236 | 60 | 70 | 118 | 300 | 381 | - | - | 305 | 360 | 76 | 70 | 33 |
| BLR/K1053HBP | 236 | 130 | 70 | 118 | 498 | 381 | - | - | 305 | 360 | 76 | 70 | 133 |
| BLR/K1353TBP | 236 | 130 | 70 | 118 | 116 | 381 | 381 | 381 | 3605 | 360 | 76 | 70 | 133 |
| BLR/K1973TBP | 337 | 80 | 70 | 169 | 108 | 381 | 381 | 381 | 305 | 360 | 97 | 140 | 177 |
| BLR/K2923TBP | 337 | 80 | 80 | 169 | 108 | 381 | 381 | 381 | 360 | 420 | 97 | 160 | 177 |
| BLR/K3803TBP-4(2) | 413 | 80 | 80 | 205 | 108 | 381 | 381 | 381 | 360 | 420 | 130(140) | 200 | 201 |
| BLR/K4803TBP-4(2) | 413 | 80 | 80 | 205 | 108 | 381 | 381 | 381 | 360 | 420 | 130(140) | 200 | 201 |






| 宁波新布鲁能源科技有限公司 © All rights reserved |